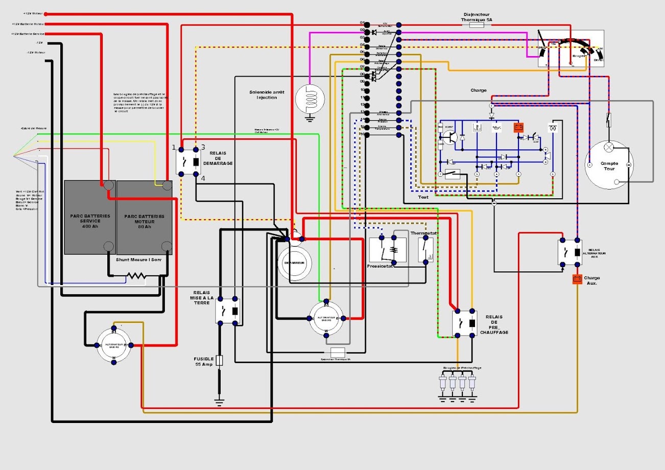
Ayant l'intention de refaire la platine de commande de mon moteur, j'ai décidé de mettre au propre le schéma de cablage en m'inspirant bien sûr du manuel d'entretien mais aussi en allant vérifier les couleurs sur place et en intégrant le schéma du circuit imprimé. En espérant que cela puisse vous servir aussi.



