Validation circuit électrique

  • Facebook
  • Twitter

Validation circuit électrique

Messagepar fokozio » 10 Sep 2013, 17:32

schema N° 3.jpeg
schema N° 3.jpeg (61.69 Kio) Consulté 2028 fois
bonjour !!
N'étant pas très bon en électricité marine, j'aimerai pouvoir faire valider le circuit électrique suivant par un spécialiste, avant de le monter......
merci beaucoup pour votre aide !!
:D
fokozio
O nouveau
O nouveau
 
Messages: 1
Inscription: 10 Sep 2013, 17:16

Re: Validation circuit électrique


Note : vous voyez cette publicité car vous n'êtes pas connecté au forum
Annonces
 

  • Facebook
  • Twitter

Re: Validation circuit électrique

Messagepar Morgane » 12 Sep 2013, 22:46

Salut,
A revoir ! :mrgreen:
Première remarque (importante) sur un bateau alu les branchements sont effectués en bipolaire (circuits doublés : + et - parcs batteries, pas de masse)
Morgane
O impliqué
O impliqué
 
Messages: 70
Inscription: 09 Mai 2007, 10:58

  • Facebook
  • Twitter

Re: Validation circuit électrique

Messagepar Dummy » 13 Sep 2013, 15:39

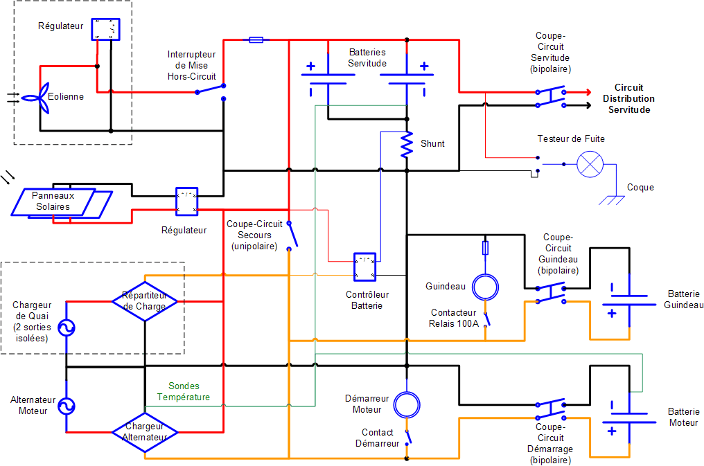
Bonjour,
Un exemple de circuit électrique en bipolaire pour voilier aluminium en PJ provenant de l'article sur le blog :
http://journal.belle-isle.eu/2009/02/installation-electrique-bateau-aluminium/ pour démarrer.

Ensuite on peut discuter certains partis pris ou options (ex batterie séparée pour le guindeau ou non, en général on utilise la batterie moteur car celui-ci est en marche lorsque l'on remonte le mouillage), ajouter des répartiteurs de charge et protection/cloisonnement des batteries (ex voir Cyrix chez Victron), etc

Des leaders pour les équipements électriques marins comme Victron Energy ou Mastervolt donnent pas mal d'infos utiles et exemples de branchement dans leurs publications et ressources internet.

Voir aussi notre article sur l' electricite a bord du voilier avec des infos utiles notamment sur le dimensionnement du parc batteries, alternateur, etc
Pièces jointes
circuit-electrique.gif
Avatar de l’utilisateur
Dummy
O passionné
O passionné
 
Messages: 447
Inscription: 21 Fév 2007, 09:07

Re: Re: Validation circuit électrique

Annonces
 


Revenir vers Electricité

Qui est en ligne ?

Utilisateurs parcourant ce forum : Aucun utilisateur inscrit et 0 invités

cron